解决部分干燥行业对自动化要求提高问题
一、摘要
21世纪的到来,信息技术得到了迅猛的发展,行业竞争已日趋白热化,寻求降低成本、产品差异化,已经成为了众多烘箱厂家不断的需求,为了满足各个厂家的需求,汇邦HPC系列应运而生,HPC系列一经推出立刻引起市场的强烈反响,无需编程,方便扩展,性能稳定、简单易用深得广大电气人员的欢迎。
二、应用背景
以最为常见真空干燥箱为例,其控制单元主要包括:送料系统、开关门系统、温控系统、抽真空系统。其工作过程,先用送料系统将待干燥物送至箱内、然后关门、设定温度、开真空泵、保温一段时间之后,开门,然后由送料系统将其送至下一工段。
传统的做法是用继电器来进行控制,接线复杂,逻辑繁琐,维护很不方面,随着科技的进步,现在干燥厂多数采用PLC控制,温度方面为外挂仪表控制,但是这样做就存在一些弊端:
1、挂上仪表与同行业相比没有特色,缺乏竞争力,自然是薄利
2、如果采用PLC与仪表通讯,编程复杂,稳定性差
3、电柜制作接线不协调,电工接、开孔线麻烦,耗工时
由于以上原因给公司订单,利润,长期发展带来了不利。
三、解决方案
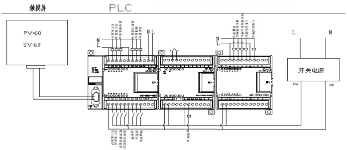
针对以上问题,公司针对该行业推出HPC系列模块,系统框架图如下:
采用以上方案的优点:
—系统集成度提高,产品上档次
—模块化温度控制,控制精度高
—电柜接线简单明了,节省工时
—编程简单、维护方面,查找电路问题一目了然
四、硬件配置
汇邦TOUCH4.3触摸屏
汇邦HPC模块
五、结束语
本方案在烘箱行业实现了预期目的,系统集成化提高,提升了设备档次,满足的市场需求。目前已与不少烘箱设备生产厂家建立了互惠互利的合作关系